产品名称:CY-C981 高速喷射阀

1.产品介绍
CY-C981 是一款中高粘度非接触式喷射喷点阀,可广泛应用于表面贴装、导电胶顺类胶粘、UV胶、底部填充胶、密封胶等各类胶水的可控流量、高速点胶作业。既能射入小到百微米的狭窄空间,也能在指定位置完成精准点胶,极小点孔径0.2mm
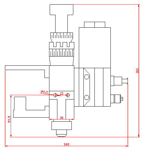
2.尺寸规格

3.各部件说明

1.调节手柄
2.预紧刻度环
3.行程调节
4.行程调节刻度环
5.胶筒固定块
6.阀体
7.进液组件
8.电磁阀
9.电磁阀固定座
10.喷嘴组件
11.外旋螺母
12.喷嘴套
13.喷嘴
使用方法
使用前的准备: 将合适规格、配置的CY-C981 喷射阀固定于运动平台上,根据实际的应用情况安装针筒、或压力桶等供料器件,连接 上开阀气压气管以及供料气压气管。如有必要,安装上加热组件,并与控制器、机器连接好
在正式使用之前,检查并确认气路关闭,气压为0。胶阀控制器处于关闭状态,在胶阀下面放一盛放残液的盛料杯
系统配置 : 如下图

操作过程: 设定开阀气压,保持开阀气压的连续供气压力至少在85Psi对于喷射的实现,胶滴的一致性都非常重要。流体的粘度,流变性能的差别以及打点参数的设置,对开阀气压的大小也不一样。一般情况下,设定开阀气压在90~95Psi之间
一般工厂气压的波动较大,为保证开阀气压的连续供压稳定性,需要接一增压泵 注意使用洁净、干燥、过滤后的空气
设定供料压力为15psi,根据流体的粘度以及胶量需求而有所不同,大致保持在10~20psi之间,预紧力和撞针是分开调整的,并有独自的刻度指示。调节预紧力时,行程会随之改变,而调节行程则不会影响预紧力。顺时针旋转预紧力增大,逆时针旋转预紧力减小。一般情况下,预紧力刻度在10~20格之间。行程的大小影响胶滴的流量大小。
其中,逆时针旋转行程调节手柄增加行程,顺时针减小行程。每移动一格行程变化0.05
6.维修保养
CY-C981 喷射阀在每次使用完之后,需要进行适当的清洁保养,以延长易损件及阀门的使用寿命,同时保证高效的点胶质量与致性。在长时间的使用之后,需要对胶阀进行彻底的维护保养
简单清洗:CY-C981喷射阀的简单维护,主要是针对与流体接触部件的清洁,防止在长时间不使用之后,流体在管道 内固化、堵塞。清洗、维护步骤如下:
A.将喷射阀从固定面板上取下来,并移除与之相连的电磁阀信号线、开阀气管以及供料桶、加热块等
B.逆时针旋转预紧力调节座,连同行程 调节座一起拧松,或者直接拧下来,保证锁紧螺母不在弹簧受压状态下拧下
C.使用扳手逆时针旋转拧下锁紧螺母
D.将嘴套、腔体、喷嘴以及喷嘴垫等零件从流体槽上小心取下 ,放入超声波器皿中或者是定的溶剂中清洗。注意取下过程中腔体中的O型圈
E.使用M3内六角扳手将固定流体槽与阀体的四个螺丝拆下。并小心将流体槽取下
F.使用内六角扳手拧下固定于流体槽两端的顶丝。然后用缠有无纺布的清洁棒蘸指定的清洗溶剂清洗流体槽左右通道,清洗完后将顶丝锁,为防止漏胶,重新缠上生料带
G.将装有密封圈的衬套从阀体上取下,清洗密封圈,发现密封圈唇部有明显变形或者漏胶,请更换此密封件
H.清洗完成后 ,请按照拆卸的反序组装上,后面将行程调节座与预紧调节座拧紧并调节到合适的位置。
I.清洗完毕后,喷嘴及喷嘴垫等易损件不要直接安装在阀上,应妥善单独保管,以免胶阀不慎掉落或碰伤而损坏零件
7.注意事项
喷嘴的清洗
CY-C981喷射阀在工作过程中,由于流体内颗粒或者固体杂质在喷嘴流道内的堆积,可能会导致喷嘴堵塞,从面无法出胶。此种情况下,请立即停止工作,将喷嘴取下,确认喷嘴堵塞。试用气枪从喷嘴出胶端往上反吹,然后将零件放入装有干净的酒精中清洗,并确认喷嘴导通
胶量参数的设定:
1.在进行出胶量的调节过程中,有四个因素可以直接改变其大小,即供料压力、胶阀行程、喷 嘴规格以及电磁阀的开间时间和打点个数
2.由于不同的应用场合,可能需要不同参数以及配件才能达到理想的产品效果,不建议盲目的改变其中一个参数
3.我们遵循使用极少的打点个数和极短的时间,生产极佳产品的原则
4.无限制的增加打点个数以及开阀时间,会加剧产品的磨损失效以及可能导致无法实现喷射点的效果
5.关于加热块: 在需要加装加热装置的胶阀上,注意热探头与加热块的固定,使用前需要检查,在使用过程中一旦发现松脱,请立即关闭温控装置
参数说明
CY-C981 喷射阀性能参数 | |
极小驱动气压 | 90Psi |
极大工作频率 | 250次/秒 |
极大供料压力 | 0~0.3Mpa |
极小点径 | 0.25mm |
极佳粘度范围 | 1~100000Cps |
CY-C981 喷射阀结构参数 | |
外形尺寸 | (长x高x宽)160*148*30mm |
重量 | 995G |
供料组件 | 不锈钢接头 |
可接针筒规格 | 10cc 30cc 55cc |
可接料管规格 | 4mm 6mm |
主阀体 | 不锈钢 |
流体通道 | 不锈钢 |
撞针组件 | 特制高强度材料 |
喷嘴组件 | 特制高强度材料 |
流体密封圈 | 特殊材料泛赛封 |
气体密封圈 | 聚氨酯 |
O型圈 | 丁腈橡胶 |
电磁阀 | 24V |
加热块 | 6061+ 阳极处理 |
加热管 | 220V 50W |
极高加热温度 | 90℃ |
安装方式 | 螺丝固定 |
注:以上所标YCX-C981喷射阀性能参数值是在特定压力、流体参数条件下得出,实际应用中,根据实际的胶水特性与正值体的测量条件而定
联系人:常灿
联系方式:18929329869
电话:0730-5940513
邮箱:2389952346@qq.com
地址:湖南省岳阳市汨罗市弼时镇长粤智能科技有限公司
联系人:李静
联系方式:18926765365(微信同号)
地址:广东省深圳市宝安区沙井街道德普A380