产品名称:CY380系列喷阀

为了达到理想喷涂效果请严格按照此说明使用本产品。
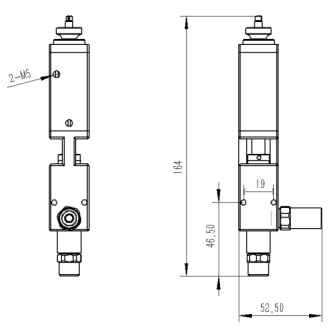
外形尺寸:

各部件接口

阀门腔体:
活塞执行总成。进入内部执行驱动要求为洁净,无水,无惰性的压缩空气。(压力在4.5-6KG)
C流体通道:
流体入口合并组件,流体通道要求纯正无杂质无颗粒状。非快速易凝固的液体,停止工作请及时清洗防止流体堵塞凝固在内部通道。(使用对应本流体高强度稀释剂清洗至少三次以上)
液体进出:
可调节内六角螺丝的行程,关注吸注力大小,均可调节到合适的位置
故障现象
无上吸或过小:
1、检查喷涂雾化控制器是否有气压输出。
2、噴幅雾化气体入口内部有赌塞现象(扭开部件F:噴幅雾化气体入口清理堵塞物,查明原因。
3、检查撞针是否有上抬/下降动作。
4、调节进出液口的行程
无液体喷出、喷涂间断:
1、检查气体入口压力是否达到工作压力(建议4.5KG以上)
2、检测液罐液体输出是否顺畅,(直接检查液体入口部件)
3、扭开(喷嘴部件)卸下针嘴,启动阀门看液体是否输出正常,如正常请检查液体是否含有杂质,解决后,更换堵塞的针嘴。
4、阀门内部(流体通道)有堵塞现象,调高压力重复清洗
完全没有液体输出:
1、检查E气体入口压力是否正常
2、目测H部位撞针是否有上下动作
3、检查C流体通道重复清洗,认真完全清理残留物
漏液:
1、检查流体通道内部是否有杂质卡在开关处导致阀门关闭不严
2、检查气体入口压力是否正常
3、检查或更换部位内部密封件
4、预压螺丝与进液腔体中间如果漏液,请将预压螺丝处锁紧,若用到锁到底部却仍有不良漏液,请更换内部密封件
联系人:常灿
联系方式:18929329869
电话:0730-5940513
邮箱:2389952346@qq.com
地址:湖南省岳阳市汨罗市弼时镇长粤智能科技有限公司
联系人:李静
联系方式:18926765365(微信同号)
地址:广东省深圳市宝安区沙井街道德普A380